Hinweis: Das abgebildete Produkt dient nur zur Veranschaulichung.
Artikelnummer
231110029
CAD
In 3D anzeigen
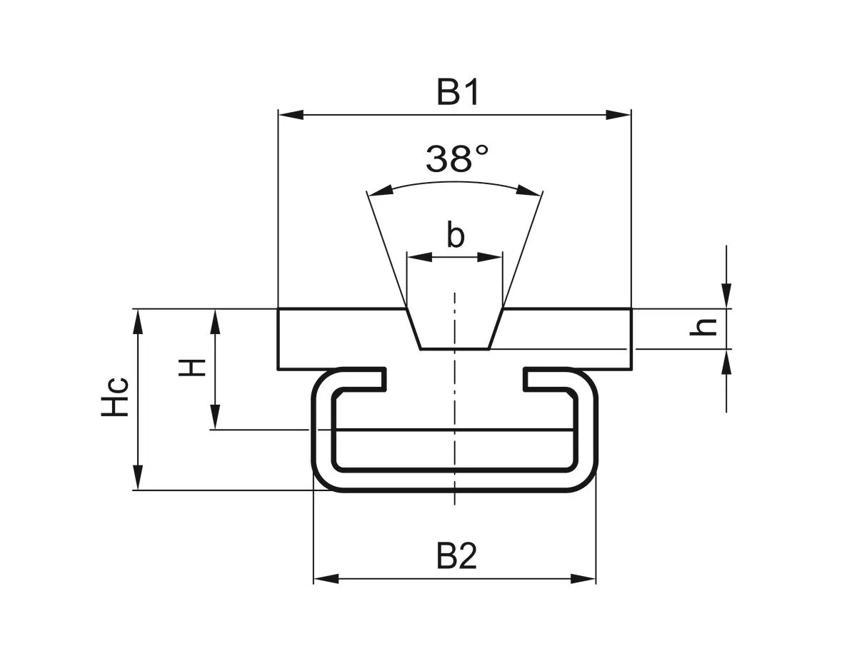
Die Riemenführung Typ FKC ist präzise darauf ausgelegt, die seitlichen Führungsnocken eines Spurzahnriemens optimal zu führen. Dadurch wird ein Verrutschen des Riemens zuverlässig verhindert, selbst bei hohen Geschwindigkeiten oder starken Belastungen. Gefertigt aus dem UHMW-PE Original "S"® schwarz bietet die Spurzahnriemenführung eine außergewöhnlich hohe Verschleißfestigkeit und hervorragende Gleiteigenschaften.
Die MURTFELDT Führung kann individuell an Ihre Anforderungen angepasst werden, unabhängig von der Standardlänge 2000 mm.
Passende Stahl-C-Profile finden Sie unten auf dieser Seite.
| Werkstoff | Original "S"® schwarz AST |
| Hc (mm) | 18.0 |
| B1 (mm) | 28.0 |
| H (mm) | 12.0 |
| Breite B2 (mm) | 28.0 |
| Breite b (mm) | 6.0 |
| Höhe h (mm) | 3.5 |
| Passender C-Profil-Typ | C5 |
| Gewicht (kg) | 0.5 |
Riemenführung Typ FKC
Kompatibler Riemen
Länge (mm)
quick_reorder Versandfertig in: 1 Werktag
Preise anzeigen, bestellen oder Produkte anfragen?
Jetzt einloggen, um direkt zu bestellen oder individuelle Angebote zu sichern.
Artikelnummer
231110029
CAD
In 3D anzeigen
Die Riemenführung Typ FKC ist präzise darauf ausgelegt, die seitlichen Führungsnocken eines Spurzahnriemens optimal zu führen. Dadurch wird ein Verrutschen des Riemens zuverlässig verhindert, selbst bei hohen Geschwindigkeiten oder starken Belastungen. Gefertigt aus dem UHMW-PE Original "S"® schwarz bietet die Spurzahnriemenführung eine außergewöhnlich hohe Verschleißfestigkeit und hervorragende Gleiteigenschaften.
Die MURTFELDT Führung kann individuell an Ihre Anforderungen angepasst werden, unabhängig von der Standardlänge 2000 mm.
Passende Stahl-C-Profile finden Sie unten auf dieser Seite.
| Werkstoff | Original "S"® schwarz AST |
| Hc (mm) | 18.0 |
| B1 (mm) | 28.0 |
| H (mm) | 12.0 |
| Breite B2 (mm) | 28.0 |
| Breite b (mm) | 6.0 |
| Höhe h (mm) | 3.5 |
| Passender C-Profil-Typ | C5 |
| Gewicht (kg) | 0.5 |
Stahl-C5-Profil
Optimaler Partner zur Aufnahme von Kunststoffgleitschienen
Edelstahl-C5-Profil, 2m
Optimaler Partner zur Aufnahme von Kunststoffgleitschienen
Stahl-C5-Profil, verzinkt, 3m
Optimaler Partner zur Aufnahme von Kunststoffgleitschienen
Edelstahl-C5-Profil, 3m
Optimaler Partner zur Aufnahme von Kunststoffgleitschienen
Stahl-C5-Profil, verzinkt, 6m
Optimaler Partner zur Aufnahme von Kunststoffgleitschienen
Edelstahl-C5-Profil, 6m
Optimaler Partner zur Aufnahme von Kunststoffgleitschienen
Stahl-C5-Profil, blank, 6m
Optimaler Partner zur Aufnahme von Kunststoffgleitschienen
Maximale Auswahl.
Maximale Verfügbarkeit.
Maximale Effizienz.
3 Klicks zu Ihrem Produkt
24h-Express-Service
100% Made in Germany