Hinweis: Das abgebildete Produkt dient nur zur Veranschaulichung.
Artikelnummer
231120022
Die Riemenführung Typ RRC führt Rundriemen präzise und ist sowohl für die Gleitschiene als auch den Riemen materialschonend. Sie ist gefertigt aus UHMW-PE Original "S"® schwarz und mit einer Vielzahl an Rundriemen kompatibel. Sie erhalten Sie in unserer Standardlänge 2000 mm oder als individuelle Zuschnittslänge.
Sie weist keine Minustoleranzen in der Länge sowie am Profilquerschnitt auf, kann in explosionsgefährdeten Bereichen eingesetzt und optional mit Stahl-C-Profil erworben werden.
Passende Stahl-C-Profile finden Sie unten auf dieser Seite.
| Werkstoff | "S" NewCycle® schwarz AST |
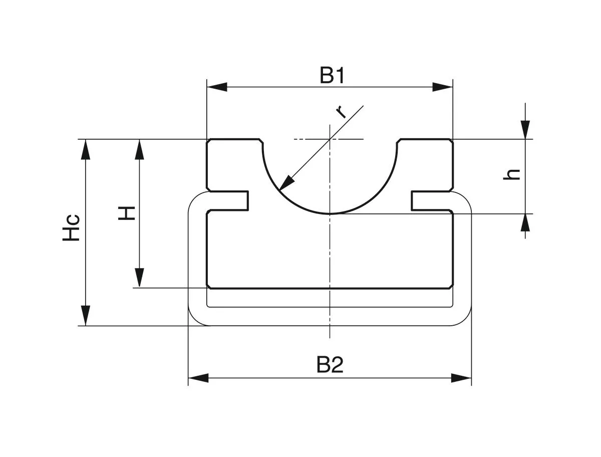
| B1 (mm) | 20.0 |
| Hc (mm) | 15.0 |
| H (mm) | 10.0 |
| B2 (mm) | 20.0 |
| r (mm) | 3.0 |
| h (mm) | 3.0 |
| Passender C-Profil-Typ | C3 |
| Gewicht (kg) | 0.28 |
Riemenführung Typ RRC
Kompatibler Riemen
Länge (mm)
quick_reorder Versandfertig in: 4-5 Werktage
Preise anzeigen, bestellen oder Produkte anfragen?
Jetzt einloggen, um direkt zu bestellen oder individuelle Angebote zu sichern.
Artikelnummer
231120022
Die Riemenführung Typ RRC führt Rundriemen präzise und ist sowohl für die Gleitschiene als auch den Riemen materialschonend. Sie ist gefertigt aus UHMW-PE Original "S"® schwarz und mit einer Vielzahl an Rundriemen kompatibel. Sie erhalten Sie in unserer Standardlänge 2000 mm oder als individuelle Zuschnittslänge.
Sie weist keine Minustoleranzen in der Länge sowie am Profilquerschnitt auf, kann in explosionsgefährdeten Bereichen eingesetzt und optional mit Stahl-C-Profil erworben werden.
Passende Stahl-C-Profile finden Sie unten auf dieser Seite.
| Werkstoff | "S" NewCycle® schwarz AST |
| B1 (mm) | 20.0 |
| Hc (mm) | 15.0 |
| H (mm) | 10.0 |
| B2 (mm) | 20.0 |
| r (mm) | 3.0 |
| h (mm) | 3.0 |
| Passender C-Profil-Typ | C3 |
| Gewicht (kg) | 0.28 |
Stahl-C3-Profil
Optimaler Partner zur Aufnahme von Kunststoffgleitschienen
Edelstahl-C3-Profil, 2m
Optimaler Partner zur Aufnahme von Kunststoffgleitschienen
Stahl-C3-Profil, verzinkt, 3m
Optimaler Partner zur Aufnahme von Kunststoffgleitschienen
Edelstahl-C3-Profil, 3m
Optimaler Partner zur Aufnahme von Kunststoffgleitschienen
Stahl-C3-Profil, verzinkt, 6m
Optimaler Partner zur Aufnahme von Kunststoffgleitschienen
Edelstahl-C3-Profil, 6m
Optimaler Partner zur Aufnahme von Kunststoffgleitschienen
Stahl-C3-Profil, blank, 6m
Optimaler Partner zur Aufnahme von Kunststoffgleitschienen
Maximale Auswahl.
Maximale Verfügbarkeit.
Maximale Effizienz.
3 Klicks zu Ihrem Produkt
24h-Express-Service
100% Made in Germany