Wir liefern. Planungssicherheit für herausfordernde Zeiten. Unser Statement.

MURTFELDT_Typ_CT_Duplex_Führung_Rollenkette_Nut_ohne_Stahl_C_221210016_16_9.png
MURTFELDT_Typ_CT_Duplex_Führung_Rollenkette_mit_Stahl_C_221210016_16_9.png
krg_rollenkette_ct-d_cad_01.jpg

Hinweis: Das abgebildete Produkt dient nur zur Veranschaulichung.

Rollenkettenführung Typ CT-Duplex

Hochwertige Kettengleitschiene Typ CT aus Original "S"® grün® für Duplex-Ketten (passend für Stahl-C-Profil)

Kompatible Kette

Choose a Kompatible Kette

Werkstoff

Choose a Werkstoff

Länge (mm)

Choose a Länge (mm)
2000.0
3048.0 info
Zuschnittlänge

quick_reorder Versandfertig in: 1 Werktag

Preise anzeigen, bestellen oder Produkte anfragen?

Jetzt einloggen, um direkt zu bestellen oder individuelle Angebote zu sichern.

Artikelnummer

221220016

view_in_ar

CAD

In 3D anzeigen

Die Kettengleitschiene für Duplex-Ketten ist aus unserem Original "S"® grün® bzw. unserem recycelten Werkstoff "S" newCycle® grün gefertigt, die sich durch präzise Toleranzen im Kunststoff-Profilquerschnitt sowie optimale Leistung und Haltbarkeit auszeichnen. Sie wurden speziell entwickelt für Anwendungen, in denen Langlebigkeit entscheidend ist.

Zuverlässig: Die Gleitschiene ist standardmäßig vorrätig und schnell verfügbar.

Individuell: Auf Wunsch bieten wir Zwischenabmessungen und alternative Werkstoffe an.

Passende Stahl-C-Profile finden Sie unten auf dieser Seite.

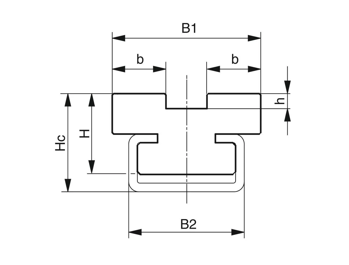
B1 (mm)21.2
Hc (mm)17.0
H (mm)14.0
B2 (mm)20.0
b (mm)7.2
h (mm)2.2
Passender C-Profil-TypC3
Bauarteuropäisch
Gewicht (kg)0.44
Stahl-C3-Profil

Stahl-C3-Profil

Optimaler Partner zur Aufnahme von Kunststoffgleitschienen

Edelstahl-C3-Profil, 2m

Edelstahl-C3-Profil, 2m

Optimaler Partner zur Aufnahme von Kunststoffgleitschienen

Stahl-C3-Profil, verzinkt, 3m

Stahl-C3-Profil, verzinkt, 3m

Optimaler Partner zur Aufnahme von Kunststoffgleitschienen

Edelstahl-C3-Profil, 3m

Edelstahl-C3-Profil, 3m

Optimaler Partner zur Aufnahme von Kunststoffgleitschienen

Stahl-C3-Profil, verzinkt, 6m

Stahl-C3-Profil, verzinkt, 6m

Optimaler Partner zur Aufnahme von Kunststoffgleitschienen

Edelstahl-C3-Profil, 6m

Edelstahl-C3-Profil, 6m

Optimaler Partner zur Aufnahme von Kunststoffgleitschienen

Stahl-C3-Profil, blank, 6m

Stahl-C3-Profil, blank, 6m

Optimaler Partner zur Aufnahme von Kunststoffgleitschienen

Maximale Auswahl.

Maximale Verfügbarkeit.

Maximale Effizienz.

<p class="text-xl"><span class="font-bold">3 Klicks zu Ihrem Produkt</span></p>

3 Klicks zu Ihrem Produkt

<p class="text-xl"><span class="font-bold">24h-Express-Service</span></p>

24h-Express-Service

<p class="text-xl"><span class="font-bold">100% Made in Germany</span></p>

100% Made in Germany